TASKMASTER® TM6500
Compact twin-shaft with CUTTER CARTRIDGE technology
The TASKMASTER® TM6500 is a rugged, compact twin-shaft grinder that delivers high-torque solids reduction in a space-efficient design, ideal for tight installations in wastewater and industrial settings.
Key Features
- Choice of Cutter Profiles
- Compact Space-Efficient Design
- High-Torque Performance
- Rugged Construction
Established 1918 · Made in USA · Livingston, NJ
Product Overview
Description
- Cutter Technology
- CUTTER CARTRIDGE®
- Mounting Options
- Inline or Open Channel
- Construction Materials
- Hardened alloy steel cutters, tungsten carbide seal faces
- Features
- Compact design, drop-in flange housing, minimal maintenance, excellent performance in sludge and raw sewage
With CUTTER CARTRIDGE® technology, individual cutter and individual spacer disks are combined into high strength, one piece elements. This design eliminates weak individual cutter and spacer disks, greatly increasing unit strength. With CUTTER CARTRIDGE® technology, there’s no stack retightening required, no shaft scoring problems and no catastrophic stack collapse – problems found with other units.
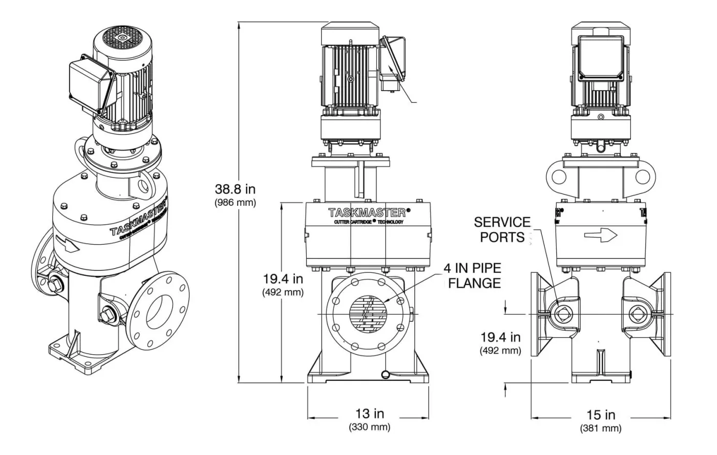
The TM6500 is provided standard for 4” (100mm) pipe sizes. Other configurations can be provided for 6” (150mm) pipe sizes as well as open channels.
Cutter Cartridge Advantage
How They're Different
One-piece monolithic elements replace thin individual cutter and spacer disks resulting in a drastic increase in cutter strength. Each cutter cross-section increases from approx. 5/16" to over 3.75", all but eliminating cracking and misalignment. The precision of these cutters is unequalled. In fact, unlike typical grinders, an entire 60" tall grinder stack can be assembled without misalignment, adjustment or shimming.
With Cutter Cartridge Technology, there's no Stack Re-tightening Required!
Made from One Solid Block of Alloy Steel
Six cutters and spacers are formed from one solid block of alloy steel. The result is far higher strength than individual cutter disks and no gaps between cutters to get contaminated and loosen.
1/12th the Cutter Parts
With Cutter Cartridge Technology there are far less parts so unit reliability is greatly enhanced. With 1/12 the parts unit strength is more than doubled. With only a few cutters taking the place of banks of individual cutter and spacer disks, maintenance is made fast and easy.
Power to the Cutters
Instead of having to assemble or disassemble multitudes of cutter and spacer disks, there is the advantage of the one-piece cutter cartridge. Each cutter bore has a broad surface engaging the shaft for solid transmission of power.
No Shaft Scoring
Because there's no thin cutters and spacers, shaft scoring is eliminated. This makes disassembly far easier and eliminates a major cause of grinder failures.
TM6500 Dimensions
See It in Action
The TASKMASTER TM6500 Grinder
The effective and economical TASKMASTER TM6500 compact grinder is equipped with hardened, alloy steel cutters and tungsten carbide seal faces for high performance with a small footprint.
Technical Specifications
- Cutter Technology
- CUTTER CARTRIDGE®
- Mounting Options
- Inline or Open Channel
- Construction Materials
- Hardened alloy steel cutters, tungsten carbide seal faces
- Features
- Compact design, drop-in flange housing, minimal maintenance, excellent performance in sludge and raw sewage
Need Help Choosing the Right Solution?
Our engineers have over a century of experience matching equipment to applications. Tell us about your process and we'll recommend the best fit.
More to Explore
Related Grinders

TASKMASTER® TM8500 Wastewater Grinder
Twin-shaft CUTTER CARTRIDGE® grinder, easy service

TASKMASTER® TM8500 Inline
Inline pipeline grinder with CUTTER CARTRIDGE tech

TASKMASTER® TITAN
High-flow channel grinder with full-cut twin shafts

TASKMASTER® TM1600 Grinder
Twin-shaft grinder for rags, sludge, and biosolids

TASKMASTER® TM1600 Inline
Pressure-rated flange housing for pipeline install

DIMMINUTOR® Grinder
Open channel grinder and comminutor with no bearings in the flow
Trusted by Industry Leaders Worldwide
Trusted Since 1918
Ready to Specify the TASKMASTER® TM6500?
Compact twin-shaft with CUTTER CARTRIDGE technology