PIPELINE DELUMPER®
Ultra-compact inline crusher eliminates pipe blockages
The PIPELINE DELUMPER® is a proven inline lump breaker that chops, disperses, and suspends solids directly within fully enclosed pipe systems, eliminating blockages without interrupting flow.
Key Features
- Low Friction Cutter Design
- Individually Replaceable Teeth
- Heavy Duty Precision Construction
- High Capacity
- Minimal Fines
Established 1918 · Made in USA · Livingston, NJ
Product Overview
Description
- Cutter Technology
- Low friction cutter design with individually replaceable teeth
- Mounting Options
- Inline installation with standard 150# ASA flanges; optional up to 600# flanges
- Construction Materials
- Carbon steel, 304L or 316L stainless steel, and special nickel alloys
- Features
- Ultra-compact design, self-clearing mechanism, improves mixing and dissolving, protects downstream equipment, optional sizing screen and replaceable liner system
The ultra-compact PIPELINE DELUMPER® is designed for easy installation in straight-thru, liquid, pneumatic or gravity systems. This unit aggressively reduces solids up to the full pipe size with a self-clearing, self-feeding mechanism. It is supplied with an effective seal system housed in an easy to maintain bearing/seal cartridge. This cartridge design eliminates the need for plant personnel to handle delicate seal components. A choice of seals is available.
Options
Customize this product for your application
The PIPELINE DELUMPER® converts a solids-laden stream into a fully suspended homogeneous flow ... instantly. It stops settling out, clustering and over-pressure. The reduced particles are entrained in the stream, away from the pipe walls. Scale that becomes dislodged from reactors, silos and tank is crushed before it can impede the flow.
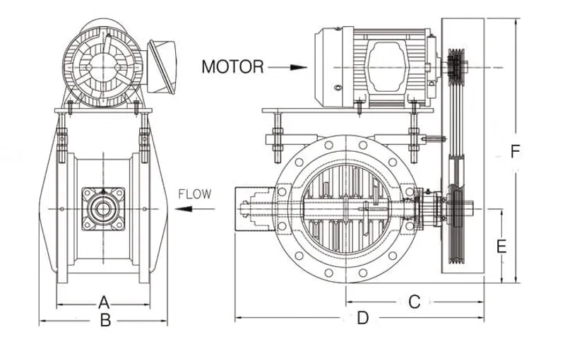
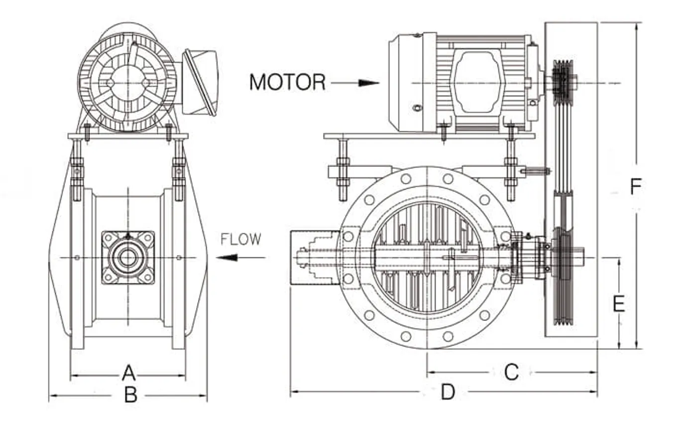
Dimensions
| Model No. | Pipe Size | A | B | C | D | E | F | Typ HP |
|---|---|---|---|---|---|---|---|---|
| PD3 | 3″ | 5.5″(140mm) | 10.2″(259mm) | 9.69″(246mm) | 17″(432mm) | 5.12″(130mm) | 20″(508mm) | 2 |
| PD4 | 4″ | 6″(152mm) | 10.2″(259mm) | 9.875″(251mm) | 18″(457mm) | 5.12″(130mm) | 20.69″(525mm) | 5 |
| PD6 | 6″ | 7″(178mm) | 12″(305mm) | 12.75″(324mm) | 22.75″(578mm) | 6″(152mm) | 23.38″(594mm) | 5 |
| PD8 | 8″ | 8″(203mm) | 16″(406mm) | 15″(381mm) | 25.62″(651mm) | 8″(203mm) | 32″(813mm) | 10 |
| PD10 | 10″ | 10″(254mm) | 16.5″(419mm) | 16″(406mm) | 28.1″(714mm) | 8″(203mm) | 33.81″(859mm) | 10 |
| PD12 | 12″ | 12″(305mm) | 16.5″(419mm) | 17.75″(451mm) | 35″(889mm) | 9.5″(241mm) | 34″(864mm) | 15 |
| PD14 | 14″ | 14″(356mm) | 16.5″(419mm) | 17.75″(451mm) | 36.25″(921mm) | 10.5″(267mm) | 37″(940mm) | 20 |
| PD16 | 16″ | 16″(406mm) | 37″(940mm) | 25.10″(637mm) | 44″(1118mm) | 18.25″(464mm) | 52″(1321mm) | 25 |
| PD18 | 18″ | 18″(457mm) | 37″(940mm) | 26.10″(663mm) | 46″(1168mm) | 18.25″(464mm) | 52″(1321mm) | 30 |
| PD20 | 20″ | 20″(508mm) | 37″(940mm) | 28″(711mm) | 52″(1321mm) | 16″(406mm) | 62″(1575mm) | 40 |
| PD24 | 24″ | 24″(610mm) | 41″(1041mm) | 31″(787mm) | 55″(1397mm) | 19.12″(486mm) | 66.75″(1695mm) | 50 |
| PD30 | 30″ | 30″(762mm) | 55″(1397mm) | 36″(914mm) | 63″(1600mm) | 27.5″(698mm) | 78″(1981mm) | 75 |
| PD36 | 36″ | 36″(913mm) | 74″(1880mm) | 45″(1143mm) | 82.25″(2089mm) | 37″(940mm) | 98.5″(2502mm) | 100 |
Configurations
Customize this product for your application
The PIPELINE DELUMPER® can be configured to meet most application requirements. Units are supplied with standard 150# ASA flanges and can be supplied with up to 600# flanges. Packings, mechanical seals or nitrogen purge deals can be provided.
A unique replaceable liner system allows for the complete periodic renewal of the unit interior. An optional sizing screen can be provided for fine particle reduction. Controls and zero speed indicators are also available. Units are provided in carbon steel, 304L or 316L stainless steel, and special nickel alloys.
A unique hardfacing option is available for extended cutter life under abrasive conditions.
See It in Action
PIPELINE DELUMPER In Action
Technical Specifications
- Cutter Technology
- Low friction cutter design with individually replaceable teeth
- Mounting Options
- Inline installation with standard 150# ASA flanges; optional up to 600# flanges
- Construction Materials
- Carbon steel, 304L or 316L stainless steel, and special nickel alloys
- Features
- Ultra-compact design, self-clearing mechanism, improves mixing and dissolving, protects downstream equipment, optional sizing screen and replaceable liner system
Need Help Choosing the Right Solution?
Our engineers have over a century of experience matching equipment to applications. Tell us about your process and we'll recommend the best fit.
Applications & Usage
Where This Product Is Used
More to Explore
Related Crushers

DELUMPER® L
Screenless low-speed crusher, minimal fines or heat

DELUMPER® LP
Heavy-duty lump breaker with self-cleaning bar cage

DELUMPER® Multi Shaft LP
Up to five shafts for massive multi-stage crushing

DELUMPER® S4
Sanitary polished crusher with clean-in-place design

VULCANATOR® Rubber Granulator
Reduces full 75-lb rubber bales without heat buildup

DELUMPER (BBU) Bulk Bag
Powerful gyrator discharges and conditions bulk bags
Trusted by Industry Leaders Worldwide
Trusted Since 1918
Ready to Specify the PIPELINE DELUMPER®?
Ultra-compact inline crusher eliminates pipe blockages


